Zum Hauptinhalt springen

Theben-HTS Treppenlichtautomat ELPA 6 Elektronisch


Theben-HTS Treppenlichtautomat ELPA 6 Elektronisch


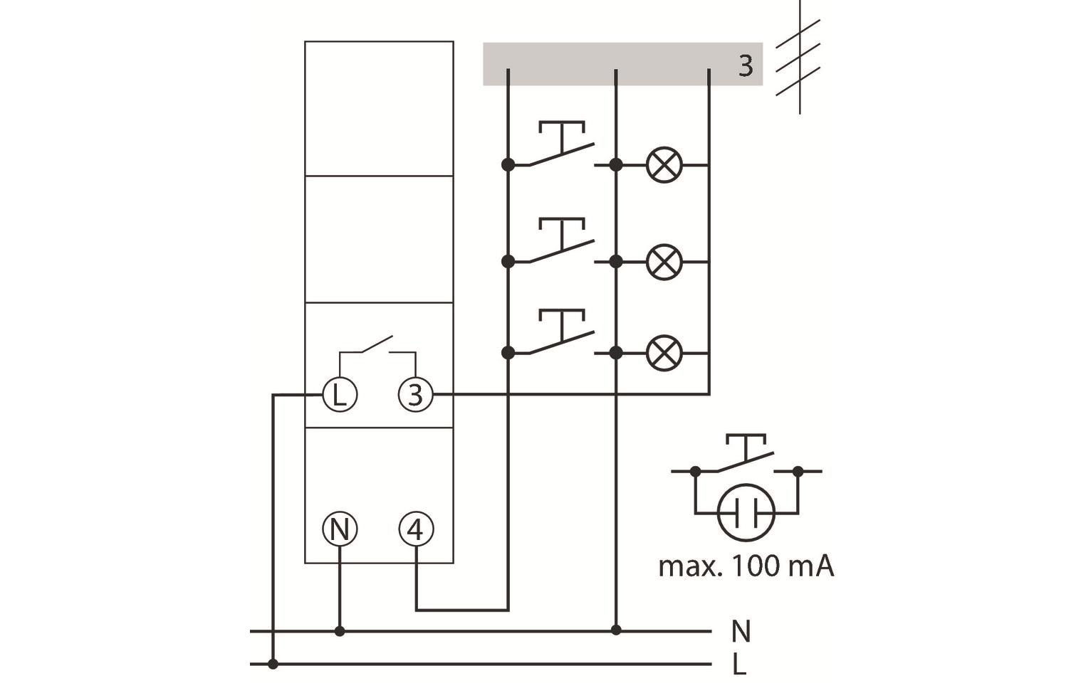
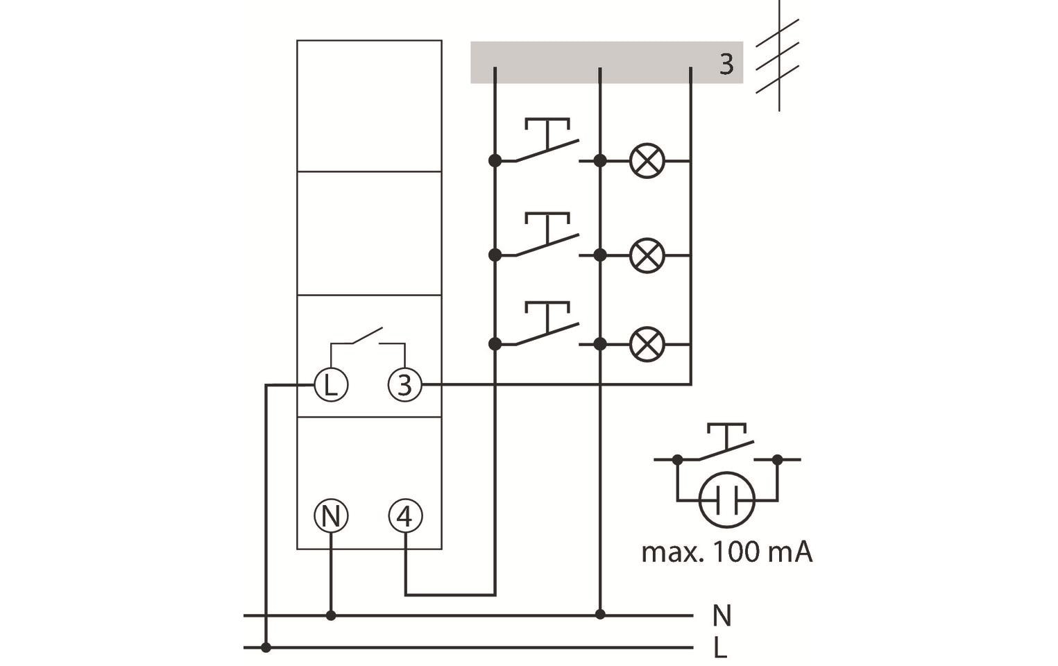
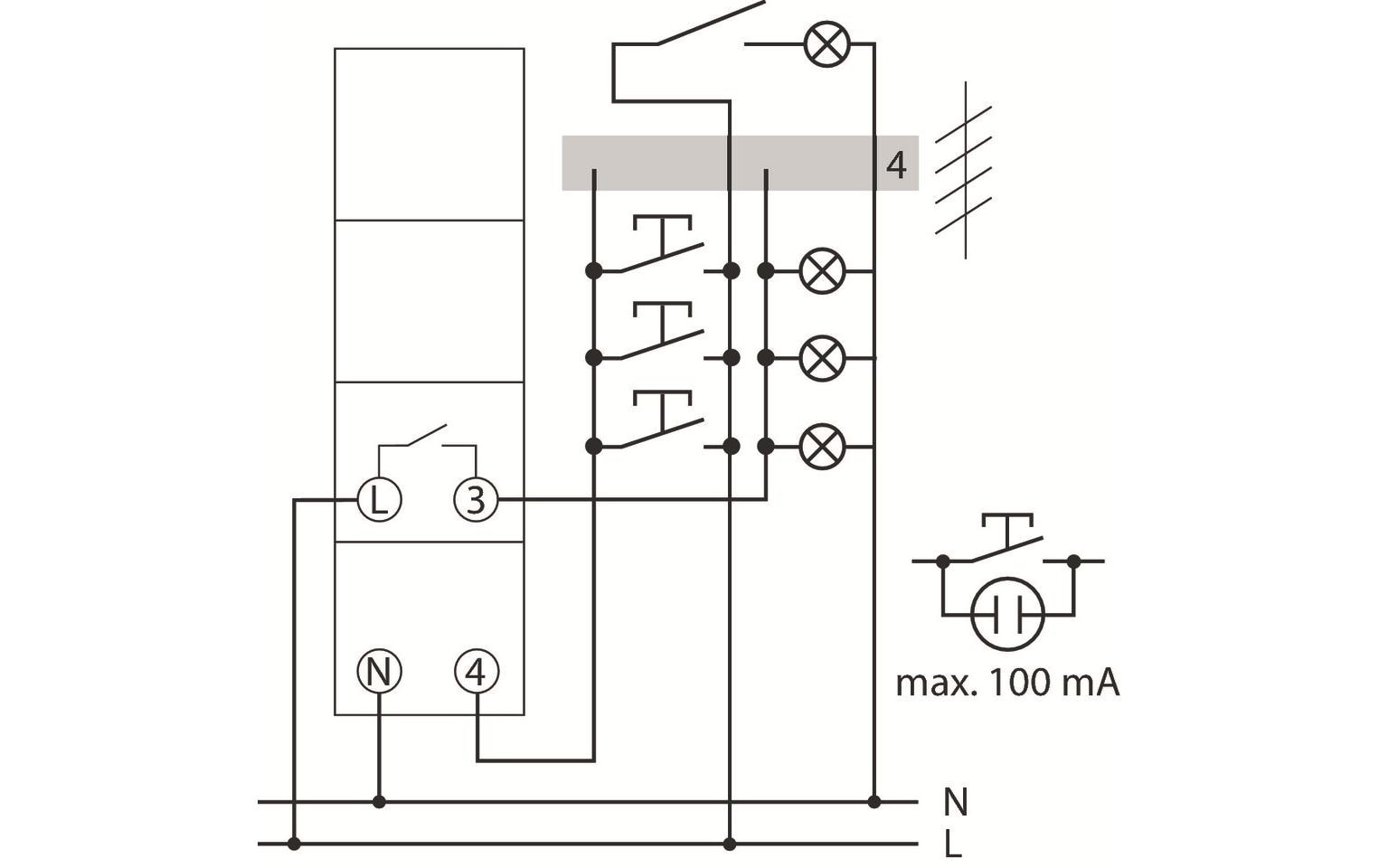
Elektronischer Treppenlicht-Zeitschalter ELPA 6



  • Multifunktionsgerät mit 10 wählbaren Funktionen, einstellbar an der Gerätefront

  • Sofort nachschaltbar (Treppenlichtschalter) oder vorzeitig abschaltbar (Stromstossschalter mit Rückfallverzögerung)

  • Nulldurchgangsschaltung zur Schonung von Relais-Kontakt und Leuchtmittel

  • Betriebsspannung: 230 V AC

  • Einstellbereich Zeit: 0.5 – 20 min

  • Tastereingang mit elektronischem Überlastschutz


Allgemein
Ausführung: Treppenlichtautomat
Schaltbare Kontakte: 1 ×
Dimensionen
Breite: 17.5 mm
Höhe: 128 mm
Tiefe: 65.5 mm
Energie
Steuerspannung: 230 V
Umgebungsbedingungen
Schutzart: IP20